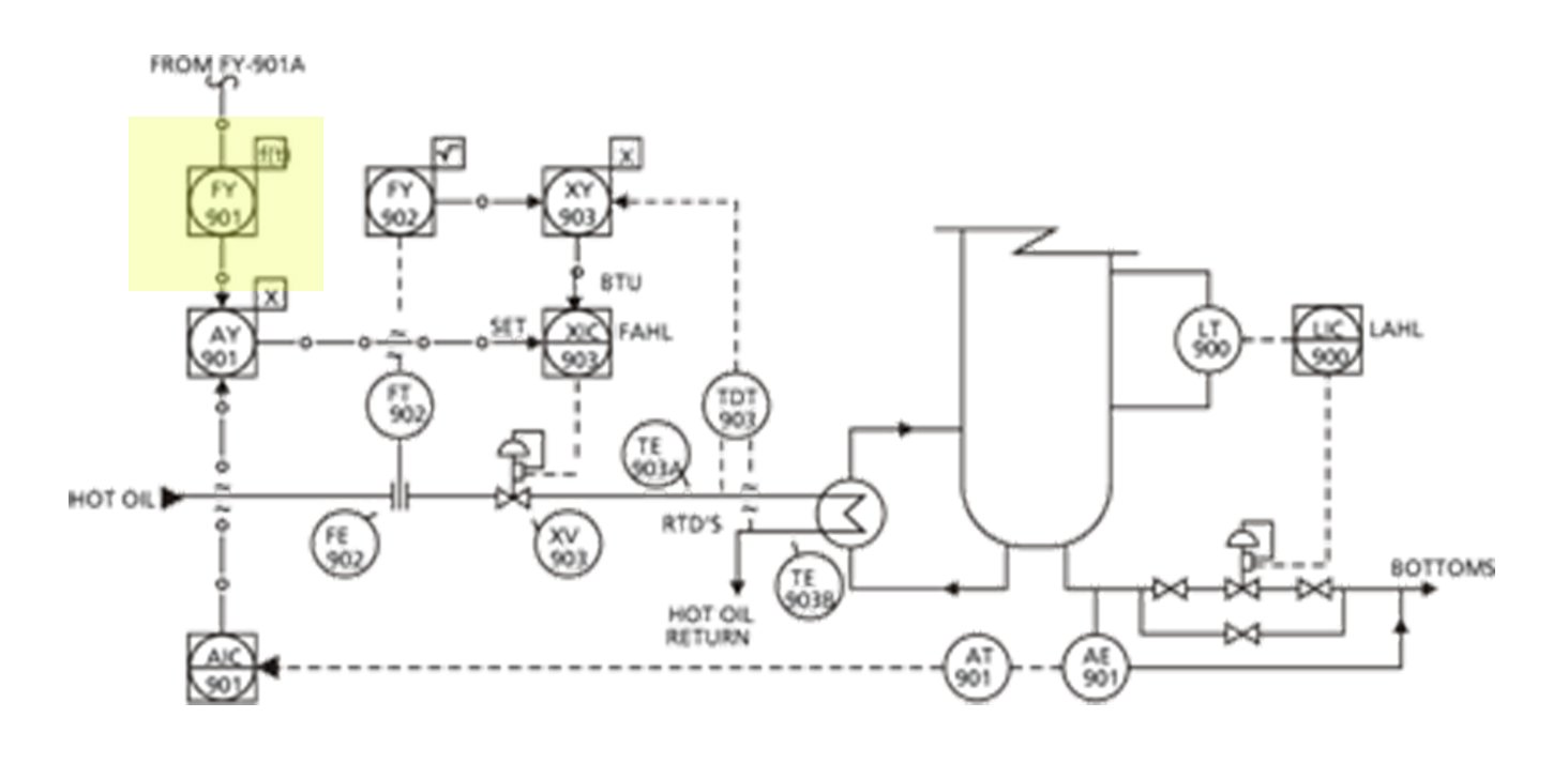
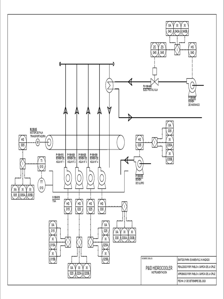
What Is Xy In P&Id . typically instrument abbreviations used in p&ids consist of two letters: piping and instrumentation diagrams (p&id) are schemes of pipelines, equipment, instrumentation, control systems, from a process. there's a huge variety of symbols, depending on industry and manufacturer, so we've created this guide to feature the most. p and id (piping and instrumentation diagram) is a schematic representation of a process system in the oil and gas,. a p&id provides a detailed graphical representation of the actual process system that includes the piping, equipment, valves,. p&id functional identification and naming conventions refer to the standardized system used in process and. learn p&id symbols, notation, and abbreviations. The first indicating the process variable and the.
from www.circuitdiagram.co
learn p&id symbols, notation, and abbreviations. there's a huge variety of symbols, depending on industry and manufacturer, so we've created this guide to feature the most. a p&id provides a detailed graphical representation of the actual process system that includes the piping, equipment, valves,. typically instrument abbreviations used in p&ids consist of two letters: p and id (piping and instrumentation diagram) is a schematic representation of a process system in the oil and gas,. p&id functional identification and naming conventions refer to the standardized system used in process and. The first indicating the process variable and the. piping and instrumentation diagrams (p&id) are schemes of pipelines, equipment, instrumentation, control systems, from a process.
Pneumatic Schematic Symbols Explained Circuit Diagram
What Is Xy In P&Id p and id (piping and instrumentation diagram) is a schematic representation of a process system in the oil and gas,. p&id functional identification and naming conventions refer to the standardized system used in process and. The first indicating the process variable and the. piping and instrumentation diagrams (p&id) are schemes of pipelines, equipment, instrumentation, control systems, from a process. p and id (piping and instrumentation diagram) is a schematic representation of a process system in the oil and gas,. typically instrument abbreviations used in p&ids consist of two letters: learn p&id symbols, notation, and abbreviations. a p&id provides a detailed graphical representation of the actual process system that includes the piping, equipment, valves,. there's a huge variety of symbols, depending on industry and manufacturer, so we've created this guide to feature the most.
From simplycount.com
result Simplycount What Is Xy In P&Id there's a huge variety of symbols, depending on industry and manufacturer, so we've created this guide to feature the most. piping and instrumentation diagrams (p&id) are schemes of pipelines, equipment, instrumentation, control systems, from a process. learn p&id symbols, notation, and abbreviations. a p&id provides a detailed graphical representation of the actual process system that includes. What Is Xy In P&Id.
From corsosystems.com
P&ID Drawings 101 Corso Systems What Is Xy In P&Id a p&id provides a detailed graphical representation of the actual process system that includes the piping, equipment, valves,. p and id (piping and instrumentation diagram) is a schematic representation of a process system in the oil and gas,. typically instrument abbreviations used in p&ids consist of two letters: there's a huge variety of symbols, depending on. What Is Xy In P&Id.
From www.researchgate.net
P xy and T xy diagram at 80 °C and 4 kg/cm 2 using UNIQUAC What Is Xy In P&Id The first indicating the process variable and the. a p&id provides a detailed graphical representation of the actual process system that includes the piping, equipment, valves,. p and id (piping and instrumentation diagram) is a schematic representation of a process system in the oil and gas,. piping and instrumentation diagrams (p&id) are schemes of pipelines, equipment, instrumentation,. What Is Xy In P&Id.
From www.dreamstime.com
Xychromosome stock illustration. Illustration of female 11898070 What Is Xy In P&Id learn p&id symbols, notation, and abbreviations. p&id functional identification and naming conventions refer to the standardized system used in process and. there's a huge variety of symbols, depending on industry and manufacturer, so we've created this guide to feature the most. The first indicating the process variable and the. p and id (piping and instrumentation diagram). What Is Xy In P&Id.
From www.infors-ht.com
What is a P&ID and how can I use it to understand my bioreactor better What Is Xy In P&Id p&id functional identification and naming conventions refer to the standardized system used in process and. a p&id provides a detailed graphical representation of the actual process system that includes the piping, equipment, valves,. p and id (piping and instrumentation diagram) is a schematic representation of a process system in the oil and gas,. piping and instrumentation. What Is Xy In P&Id.
From www.youtube.com
P&ID Basics Decode P&IDs like a Pro with RealWorld Tips and Examples What Is Xy In P&Id p&id functional identification and naming conventions refer to the standardized system used in process and. typically instrument abbreviations used in p&ids consist of two letters: piping and instrumentation diagrams (p&id) are schemes of pipelines, equipment, instrumentation, control systems, from a process. The first indicating the process variable and the. there's a huge variety of symbols, depending. What Is Xy In P&Id.
From instrumentationtools.com
Piping and Instrumentation Symbols Instrumentation Tools What Is Xy In P&Id a p&id provides a detailed graphical representation of the actual process system that includes the piping, equipment, valves,. p&id functional identification and naming conventions refer to the standardized system used in process and. there's a huge variety of symbols, depending on industry and manufacturer, so we've created this guide to feature the most. typically instrument abbreviations. What Is Xy In P&Id.
From hardhatengineer.com
Learn How to Read P&ID Drawings A Complete Guide What Is Xy In P&Id a p&id provides a detailed graphical representation of the actual process system that includes the piping, equipment, valves,. there's a huge variety of symbols, depending on industry and manufacturer, so we've created this guide to feature the most. p and id (piping and instrumentation diagram) is a schematic representation of a process system in the oil and. What Is Xy In P&Id.
From blog.isa.org
AutoQuiz Identify the Function of a P&ID Symbol What Is Xy In P&Id learn p&id symbols, notation, and abbreviations. a p&id provides a detailed graphical representation of the actual process system that includes the piping, equipment, valves,. typically instrument abbreviations used in p&ids consist of two letters: piping and instrumentation diagrams (p&id) are schemes of pipelines, equipment, instrumentation, control systems, from a process. The first indicating the process variable. What Is Xy In P&Id.
From atlanticgmat.com
In the xyplane, region R consists of all the points (x,y) such that 2x What Is Xy In P&Id The first indicating the process variable and the. piping and instrumentation diagrams (p&id) are schemes of pipelines, equipment, instrumentation, control systems, from a process. a p&id provides a detailed graphical representation of the actual process system that includes the piping, equipment, valves,. p&id functional identification and naming conventions refer to the standardized system used in process and.. What Is Xy In P&Id.
From socratic.org
How do you differentiate xy^2 + xy = 12? Socratic What Is Xy In P&Id The first indicating the process variable and the. there's a huge variety of symbols, depending on industry and manufacturer, so we've created this guide to feature the most. a p&id provides a detailed graphical representation of the actual process system that includes the piping, equipment, valves,. p&id functional identification and naming conventions refer to the standardized system. What Is Xy In P&Id.
From schematictontiner.z14.web.core.windows.net
P&id Schematic Symbols What Is Xy In P&Id piping and instrumentation diagrams (p&id) are schemes of pipelines, equipment, instrumentation, control systems, from a process. p and id (piping and instrumentation diagram) is a schematic representation of a process system in the oil and gas,. there's a huge variety of symbols, depending on industry and manufacturer, so we've created this guide to feature the most. Web. What Is Xy In P&Id.
From www.virtualplanttech.com
Asbuilt Verification and Smart P&IDs Virtual Plant What Is Xy In P&Id p&id functional identification and naming conventions refer to the standardized system used in process and. there's a huge variety of symbols, depending on industry and manufacturer, so we've created this guide to feature the most. The first indicating the process variable and the. a p&id provides a detailed graphical representation of the actual process system that includes. What Is Xy In P&Id.
From www.circuitdiagram.co
Schematic Diagram Difference Flow Chart Circuit Diagram What Is Xy In P&Id p&id functional identification and naming conventions refer to the standardized system used in process and. there's a huge variety of symbols, depending on industry and manufacturer, so we've created this guide to feature the most. learn p&id symbols, notation, and abbreviations. The first indicating the process variable and the. p and id (piping and instrumentation diagram). What Is Xy In P&Id.
From www.scribd.com
P&id PDF What Is Xy In P&Id p&id functional identification and naming conventions refer to the standardized system used in process and. typically instrument abbreviations used in p&ids consist of two letters: p and id (piping and instrumentation diagram) is a schematic representation of a process system in the oil and gas,. The first indicating the process variable and the. there's a huge. What Is Xy In P&Id.
From www.vrogue.co
P Id Process Diagram Piping Symbol Abbreviation Equip vrogue.co What Is Xy In P&Id there's a huge variety of symbols, depending on industry and manufacturer, so we've created this guide to feature the most. typically instrument abbreviations used in p&ids consist of two letters: p and id (piping and instrumentation diagram) is a schematic representation of a process system in the oil and gas,. piping and instrumentation diagrams (p&id) are. What Is Xy In P&Id.
From www.scribd.com
P&ID PDF What Is Xy In P&Id learn p&id symbols, notation, and abbreviations. p and id (piping and instrumentation diagram) is a schematic representation of a process system in the oil and gas,. piping and instrumentation diagrams (p&id) are schemes of pipelines, equipment, instrumentation, control systems, from a process. p&id functional identification and naming conventions refer to the standardized system used in process. What Is Xy In P&Id.
From www.researchgate.net
P&ID diagram Download Scientific Diagram What Is Xy In P&Id p&id functional identification and naming conventions refer to the standardized system used in process and. p and id (piping and instrumentation diagram) is a schematic representation of a process system in the oil and gas,. learn p&id symbols, notation, and abbreviations. typically instrument abbreviations used in p&ids consist of two letters: The first indicating the process. What Is Xy In P&Id.